
随着我国国民经济的蓬勃发展,电力负荷急剧加大,特别是电力电子转流设备、电气化铁路、电弧炉等等冲击性和非线性负荷容量的不断增长, 使得电力系统的电能质量日益恶化。使得电网发生波形畸变、电压波动与闪变和三相不平衡等电能质量问题情况日趋严重。从而引起变压器过热、 网损增加、计量仪表误差、通讯干扰,不但使得供用电设备本身安全性降低,而且严重威胁着电力系统的安全和经济运行。为了保护电力系统的 运行安全,目前各国都十分重视电能质量的管理,并制定了相关标准。我国也已先后颁布了涉及电能质量七个方面的国家标准,有关部门也制定 了相应的《电能质量管理办法》。
·《GB/T 15945-2008 电能质量 电力系统频率允许偏差》
·《GB 12325-2008 电能质量 供电电压允许偏差》
·《GB/T 15543-2008 电能质量 三相电压允许不平衡度》
·《GB/T 30137-2013 电能质量 电压暂降与短时中断》
·《GB/T 14549-93 电能质量 公用电网谐波》
·《GB 12326-2008 电能质量 电压波动与闪变》
·《GB 24337-2009 电能质量公用电网间谐波》
我公司经过对电能质量测控方面充分的调研,认真分析了国内外同类产品的现状,跟踪国际同行的先进水平,成功地研制出新一代 CJR7500A 型电能质量在线监测装置。
该装置是一台高性能的多功能电能质量测试分析仪器,它采用DSP+ARM+CPLD 内核,4.3寸大屏幕彩色液晶显示屏,结构更紧凑,功能更强大。 适用于 220KV、110KV 和 35KV 变电站、电厂及用电大户。
·测量分析公用电网供到用户端的交流电能质量,其测量分析:频率偏差、电压偏差、电压波动和闪变、三相电压允许不平衡度、电网谐波。
·应用小波变换测量分析非平稳时变信号的谐波。
·测量分析各种用电设备在不同运行状态下对公用电网电能质量。
·负荷波动监视:定时记录和存储电压、电流、有功功率、无功功率、频率、相位等电力参数的变化趋势。
·电力设备调整及运行过程动态监视,帮助用户解决电力设备调整及投运过程中出现的问题。
·测试分析电力系统中断路器动作、变压器过热、电机烧毁、自动装置误动作等故障原因。
·测试分析电力系统中无功补偿及滤波装置动态参数并对其功能和技术指标作出定量评价。
·在线式、多参数、大容量、高精度及近代信号分析理论的应用等特点,使仪器可广泛地应用于输配电、电力电子、电机拖动等领域。
·安全可靠
电压输入采用高电压隔离模块 , 电流输入采用高精度电流变器使输入信号和测量系统安全隔离。大大提高了仪器的抗干扰能力。
·使用方便
采用中文界面,简洁的按键操作,用户使用方便。
·精度高
符合国标 A 级仪器要求。对谐波、三相不平衡度、闪变和波动均采用基准算法,无近似计算,采用高精度 A/D(16 位),同时采样,采集速率 12.8 kHz。
·软件功能强
采用 DSP+ARM+CPLD 内核,处理速度快,软件功能丰富,使仪器适用于复杂的测试工作和数据处理工作,大大提高了测试效率和水平。
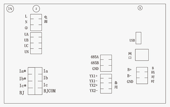
·通讯接口 (485)
·测试参数多
系统频率、电网谐波、三相电压不平衡度、电压波动与闪变、电压偏差、电压基波有效值和真有效值、电流基波有效值和真有效值、基波有功功率、 有功功率、基波视在功率、2-63 次谐波、真功率因数等全部电能质量五大国标规定的参数。
·大容量存储
该装置内置 512M 内存,以 5 分钟为单位存储数据,单通道存储一年的历史数据。
·最多可测量 3 相电压信号, 3 相电流信号;
·采用基准算法对谐波、三相不平衡度、闪变和波动均无近似计算,采用高精度A/D(16 位),同时采样,采集速率25.6 kHz,符合国标A 级仪器要求。
·频率测量
测量范围:45~65Hz,中心频率 50Hz,测量条件:信号基波分量不小于 80% F.S. 测量误差 : ≤ 0.01Hz
·输入电压量程:AC10 ~ 120V 或 AC10 ~ 400V
·输入电流量程:5A/1A
·基波电压和电流幅值:基波电压允许误差≤ 0.5% F.S.;基波电流允许误差≤ 1% F.S.
·基波电压和电流之间相位差的测量误差:≤ 0.5°
·谐波电压含有率测量误差:≤ 0.1%
·谐波电流含有率测量误差:≤ 0.2%
·三相电压不平衡度误差:≤ 0.2%
·三相电流不平衡度:≤ 1%;
·电压偏差误差:≤ 0.2%
·电压变动误差:≤ 0.2%
·功率误差:≤ 0.5%
·闪变误差:≤ 5%
销售电话:0577-6261 8382
手机号码:13757756439
邮箱地址:SHchenjielec@163.com
联系地址:浙江省温州市乐清市柳市镇蟾西工业区

微信扫一扫